CONTACT US
智淼消防氣體滅火施工安裝公司
聯系人:何經理
服務熱線:4006-598-119
郵箱:1334605518@qq.com
傳真:15262554119
地址:蘇州常熟市黃河路275號
當前位置: 首頁>>產品中心>>氣體滅火報警控制系統>>青鳥氣體滅火系統
商品類別:青鳥氣體滅火系統
點擊次數:13482
上架時間:2025年02月07日
全國服務熱線: 4006-598-119
產品描述
青鳥JBF5016氣體滅火控制器

一、青鳥JBF5016氣體滅火控制器功能特點
青鳥JBF5016氣體滅火控制器為壁掛式安裝,分別可完成多區的氣體滅火聯動控制。
可連接緊急啟停按鈕、手自動轉換盒、氣體釋放警報器、聲光警報器、輸入/輸出模塊等設備。
氣體滅火控制的延時啟動時間、啟動輸出時間均可調。
液晶顯示屏,中、英文界面切換,可顯示32字符16個漢字的地址中文注釋。
具備在線和離線聯動編程功能,同時支持U盤數據下載,調試方便。
無需增加聯網硬件可直接與北大青鳥JBF-11SF、51系列控制器進行聯網。
控制器具備檢修開關,可靠的保障了系統維護時的安全性。
超強的系統配套功能,具備多組無源信號輸入端,方便配接不同火災報警聯動控制器。
二、青鳥JBF5016氣體滅火控制器技術參數
| 型號 | JBF5016 |
| 名稱 | 氣體滅火控制器 |
| 品牌 | 青鳥消防 |
| 供電主電 | AC220V +10% -15% 50Hz |
| 備電 | DC.12V/4.5Ah×2 |
| 系統容量 | 2區-4區 |
| 回路容量 | 每回路80點(緊急啟停按鈕、手自動轉換盒、聲光警報器、輸入輸出模塊) |
| 輸出電流 | 噴灑輸出更大 電流2A |
| 工作溫度 | -10~+50℃ |
| 貯存溫度 | -20~+50℃ |
| 相對濕度 | ≤95%(40±2℃) |
| 重量 | 13kg |
| 外型尺寸 | 410mm寬×540mm高×130mm厚 |
三、青鳥JBF5016氣體滅火控制器外形結構及安裝

JBF5016氣體滅火控制器為壁掛式結構設計,可直接明裝在墻壁上。
四、青鳥JBF5016氣體滅火控制器端子接線示意圖

L+、L-:無極性回路總線,接聲光警報器、輸入/輸出模塊、緊急啟停按鈕、手自動轉換盒;
IN1、G:輸入端子1,外接無源輸入信號,用于報火警,需配接10K,1/4W終端電阻;
IN2、G:輸入端子2,外接無源輸入信號,用于報火警,需配接10K,1/4W終端電阻;
IN、G:噴灑反饋,接收鋼瓶壓力開關無源閉合信號,需配接10K,1/4W終端電阻;
C+、C-:噴灑啟動,控制電磁閥式氣體滅火裝置見下圖,需在終端配接終端組件;控制氣溶膠氣體滅火裝置見下圖,需在終端配接JBF5183氣溶膠控制接線盒;
24V、G:24V輸出,更大 輸出電流4A,現場聯動設備供電使用。
五、青鳥JBF5016氣體滅火控制器噴灑啟動輸出接線示意圖(控制七氟丙烷等電磁閥式氣滅裝置)

安裝注意事項:
每路氣滅控制輸出需在氣體滅火裝置端配接終端組件。(輸入:C+紅線連接主機噴灑輸出C+端子、C-黑線連接主機噴灑輸出C-端子;輸出端無正負)
JBF5014氣體滅火控制器每路氣滅控制輸出更大 電流2A,當受控設備功耗較大時需增加現場聯動電源和DC.24V中間繼電器。
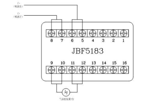
六、JBF5016氣體滅火控制器控制氣溶膠氣滅裝置接線

安裝注意事項:
控制氣溶膠氣體滅火裝置時,需配接JBF5183氣溶膠控制接線盒,每只JBF5183最多可連接2臺氣溶膠滅火裝置。
輸入:端子(5、6)接C-;端子(7、8)接C+;輸出:端子(9、10)、端子(11、12)連接氣溶膠滅火裝置。
七、JBF5016氣體滅火控制器控制系統圖

上一篇:青鳥JBF5013氣體滅火控制器
下一篇:青鳥JBF5015氣體滅火控制器
本文標簽: 青鳥JBF5016氣體滅火控制器
最新產品
相關新聞
- 廣東氣體滅火安全泄放裝置試驗程序2026-04-15
- 廣東七氟丙烷滅火系統專用組件外形圖2026-04-15
- 廣東氣體滅火主機安裝位置有規范要求嗎2026-04-11
- 廣東氣體滅火控制盤安裝高度問題2026-04-11
- 廣東七氟丙烷氣體滅火用量和泄壓口面積快速計算2026-04-08
- 廣東發電機房氣體滅火系統“形同虛設” 深度分析2026-04-08
- 廣東數據中心消防市場高增長下,為何依舊首選氣體滅火?2026-04-03
- 廣東氣體滅火系統工程消防驗收現場評定常見9個問題2026-03-28
- 廣東泰和安消防氣體滅火系統如何接線2026-03-28
- 廣東氣體滅火裝置怎么聯動火災報警系統2026-03-26



服務熱線:4006-598-119 18751140119
地址:蘇州常熟市黃河路275號
客服 